継目落ち整正機 自走式タイプ CRJD-Y01
高出力油圧シリンダーとリモコン操作で容易に継目矯正
- 高出力油圧シリンダーを使用し、リモコン操作で継目のセットからクランプ、矯正までを容易にスピ-ディ-に施工可能。
- 自走式軌道自転車に取付けて省力化・少人数で施工可能。
- 8頭タイタンパーとの組合せ施工で軌道維持効果が大。
- 従来型と比較して高出力油圧シリンダーを2基使用することで容易に矯正。
- デジタル表示で容易に矯正圧力管理。
- クランプ部の交換で幅広いレール種別に対応。
継目落ち整正機 自走式タイプ
動画
施工例
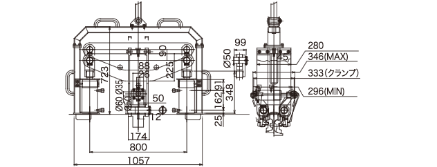
主要寸法図
施工概要図
主要諸元表
| 項 目 |
CRJD-Y01 |
| 仕様 |
| 全長×幅×高(mm) |
1060×350×725 |
| 適用レール |
30・37・40・50・60 |
| 継ぎ目クランプシリンダー最大出力(t) |
31 |
| 継ぎ目クランプシリンダーストローク(mm) |
50 |
| 継ぎ目縦矯正シリンダー最大出力(t) |
100 |
| 継ぎ目縦矯正シリンダーストローク(mm) |
100 |
| 本体重量(kg) |
250 |
| 電動ポンプ最高圧力(kgf/cm2) |
高圧側: 700 / 低圧側: 10 |
| 電動ポンプ吐出量(ℓ/min) |
高圧側: 0.33 / 低圧側: 2.9 |
| 電動機容量 |
AC100V, 2P, 0.45kW |
このサイトをご覧いたくにはには、Adobe Flash Playerが必要です。
Adobe Flash Playerはアドビシステム株式会社より無償配布されています。
パンフレットのPDFファイルをご覧頂くには、Adobe Readerが必要です。
Adobe Readerはアドビシステム株式会社より無償配布されています。