





![]() |
4.56mブーム | 7.31mブーム | 10.05mブーム | 12.81mブーム | 15.56mブーム | |||||
|---|---|---|---|---|---|---|---|---|---|---|
| 制止吊定格 | 走行吊定格 | 制止吊定格 | 走行吊定格 | 制止吊定格 | 走行吊定格 | 制止吊定格 | 走行吊定格 | 制止吊定格 | 走行吊定格 | |
| 2.00 | 4900 | 2000 | 4900 | 2000 | 2600 | 1400 | 1900 | 使用 不可 |
- | 使用 不可 |
| 2.50 | 3720 | 2000 | 3670 | 2000 | 2100 | 1140 | 1900 | 1300 | ||
| 3.00 | 2840 | 2000 | 2870 | 2000 | 1750 | 940 | 1710 | 1300 | ||
| 3.50 | 2320/3.45m | 1260/3.45m | 2310 | 1560 | 1490 | 800 | 1450 | 1200 | ||
| 4.00 | - | - | 1900 | 1010 | 1280 | 690 | 1240 | 1080 | ||
| 4.50 | - | - | 1590 | 830 | 1120 | 610 | 1080 | 980 | ||
| 5.00 | - | - | 1340 | 690 | 980 | 540 | 950 | 880 | ||
| 5.50 | - | - | 1140 | 580 | 870 | 490 | 830 | 790 | ||
| 6.00 | - | - | 970 | 480 | 770 | 440 | 740 | 710 | ||
| 6.50 | - | - | 970/6.2m | 450/6.2m | 690 | 400 | 710 | 640 | ||
| 7.00 | - | - | - | - | 620 | 370 | 590 |
570 | ||
| 7.50 | - | - | - | - | 560 | 540 | 530 | 510 | ||
| 8.00 | - | - | - | - | 500 | - | 470 | 460 | ||
| 9.00 | - | - | - | - | 420/8.95m | - | 420 | 400 | ||
| 10.00 | - | - | - | - | - | - | 310 | 360 | ||
| 12.00 | - | - | - | - | - | - | 260/11.7m | 150 | ||
| 14.00 | - | - | - | - | - | - | - | 150 | ||
| 14.45 | - | - | - | - | - | - | - | 150 | ||
・全て4本掛けフック状態での数値です
・実際に吊上げ得る荷重は定格総荷重から(フック+玉掛けワイヤーロープ等の吊り治具)の質量を差し引いた値になります(フック質量:80kg)。
| 項 目 | MWR755-2 | MWR755-2(ゴンドラ仕様) |
|---|---|---|
| 仕様 | ||
| ベース車両 | コマツ LC755-2 | |
| 全装備重量(kg) | 15000 | |
| 履帯種類 | ゴム一体型絶縁シュー | |
| 燃料タンク(L) | 141 | |
| 寸法 | ||
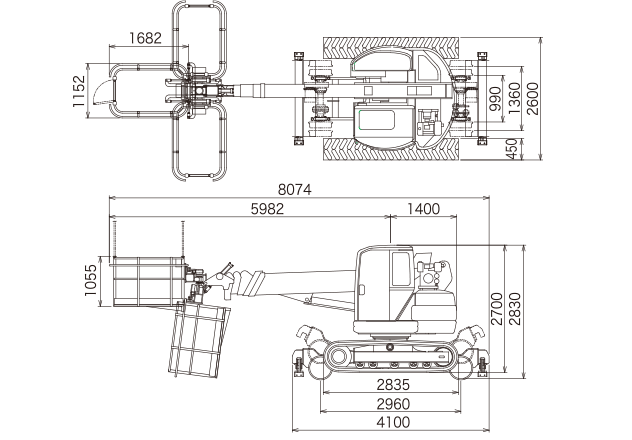
| 全長(輸送時)(mm) | 5655 | 8058 |
| 全幅(mm) | 2600 | 2600 |
| 全高(軌道上時)(mm) | 2830 | 2830 |
| 旋回半径(mm) | 1400 | 1400 |
| クローラ全長(mm) | 2835 | 2835 |
| 性能 | ||
| ブーム長さ(m) | 4.56~15.56 | |
| 最大吊荷重×作業半径(t×mm) | 4.9×2100 | |
| 最大作業半径(mm) | 14450 | 7000 |
| 最大地上揚程(mm) | 16350 | 7000 |
| 最大地下揚程(mm) | 19000 | - |
| 旋回範囲(度) | 360 | |
| 旋回速度(rpm) | 2.0 |
|
| クローラー最大速度(km/h) | 低速2.2 高速3.2 | |
| 登坂能力(度) | 35 | |
| 接地圧(kgf/cm2) | 0.76 | |
| 軌道走行性能 | ||
| 最高速度(km/h) | 30 | |
| 発進可能最大勾配 | 30/1000 | |
| カウンターバランス制動距離(m) | 晴天時 18m 雨天時 25m | |
| ブレーキ制動距離(m) | 晴天時 10m 雨天時 14m | |
| 項 目 | MWR755-2 |
|---|---|
| エンジン | |
| 名称 | コマツ 4D102E |
| 形式 | 4サイクル 水冷直列 直接噴射式 |
| 総排気量(cc) | 3920 |
| 定格出力(PS/rpm) | 40.5/1750 |
| 油圧装置 | |
| 油圧ポンプ形式・数 | ピストン式・2個+ギヤー式・2個 |
| 油圧ポンプ吐出量(L/min) | 63×2+18.7+7.9 |
| 最大セット圧(kgf/cm2) | 250 |
| 操作弁形式・数 | 6連スプール式・2個+3連スプール式・1個 |
| 操作方法 | 油圧アシスト |
| クローラー走行モーター | ピストン式・2個 |
| クレーン装置 | |
| ブーム | 5段/4.9t |
| 定格吊荷重(t) | 4.9 |
| クレーン安全装置 | 過負荷防止装置、過巻防止装置、高さ上限設定装置、 荷重表示装置、水準器 |
| ゴンドラ安全装置 | ゴンドラ平衡維持装置、ゴンドラ非常停止装置、ゴンドラ挟まれ防止柱 |
| 軌道走行装備 | |
| 車輪 | 径460mm 幅125mm 車輪内面距離990mm(狭軌)1360mm(標準軌) 4輪絶縁車輪 |
| 車軸 | 2軸(径100mm)各1軸通し駆動方式 車軸間2620mm |
| 動力源 | カウンターバランス弁付油圧式モーター (出力43kW トルク683N・m) 2基 |
| 駆動 | 各軸チェイン駆動方式 |
| ブレーキ | 各軸油圧式ディスクブレーキ( 制動トルク:0.5t・m) +各軸カウンターバランス弁 駐車ブレーキ・逸走防止機構付 |
| レールクランプ | 作業時車体保持用として前後4組装備 油圧作動式 各クランプ絶縁材入 クランプ力:2.3t |
| 軌道内安全装置 | |
| 非常用エンジン | 空冷4サイクル単気筒ディーゼルエンジン(406cc 10ps) |
| ブーム高さ制限 | ブーム上げ自動停止 |
| ブーム絶縁 | 電気用高圧プラスチックシート( 耐電圧:7000V) |
| その他安全装置 | 油圧モーター解除クラッチ、油圧モーターフリーバルブ |